Calros, I'm a little bit confused that you have got a positive feedback from Cometic about our 1UZ head gasket. I charge a friend in the USA to ask Cometic for the Phuzion HG for the 1UZ and they told him they can not offer the Phuzion for this engine.
Yes, you are right it's very nice to have the machining tools. I thought I could spend 2500-3000 bucks for this machines first and can do a lot of work myself before I have to pay for every part that I need.
Alex
Nice solution Kriss. Do you have any issues with coolant weepage with the copper head gaskets
How much boost have you run with these?
What are your custom sealing rings made of?
I wonder if something like this could be adapted to work with the OEM head gasket, or even the Cometic MLS's to improve their performance?
Once the head is torqued with your rings, can it be reused? Have you welded them and reused them?
Hey BigKriss,
that's a very good idea! Many thanks for your pics. But I have some questions.
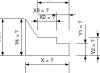
I add a drawing where I show the profile of your seal ring like I understand it from the pictures. Please correct it if I'm wrong. Maybe you would give us some dimensions I marked in the drawing to give me (or us) a better insight.
Thanks
Alex
John, sorry, my reply did not work as I had intended but it is all there..![]()

It is not that easy, scrapped quite a few in the learning stages. I made jigs and use a thin wall pipe to start off with. Often as you are parting the ring it grabbs and is fubarred..Thats life.
Yes as with most engines with forced induction !!!I've been boosting and using Cometic MLS had gaskets with ARP studs fine. I intially had coolant leakage, but the block holds perfectly fine after I re-torqued it. I think MLS gaskets need to be re-torqued just like copper gaskets.
Yes there's some copper spray sealant in can. It stays rather sticky and doesn't seem to harden...
Imo if your serious thicker head studs would help...
But I would say ARP at 10mm would far better than std TTY bolts..
Make sure washer, threads are well lubricated...
There are different torque specs between oil and Molly grease...
Check with ARP on 10mm stud ?? You maybe going beyond the studs threshold...
You have to consider the strength of bolt in alloy too...